Technical Data (pdf)

|
Property |
Unit |
Product Code |
Method of Measurement |
|
|
TNIM190F |
TNIM190FC |
|||
|
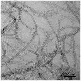
OD |
nm |
4-8 |
4-8 |
HRTEM,Raman |
|
Purity |
wt% |
>95 |
>95 |
TGA & TEM |
|
Length |
microns |
10-20 |
10-20 |
TEM |
|
SSA |
m2/g |
350-550 |
|
BET |
|
ASH |
wt% |
|
|
TGA |
|
Ig/Id |
-- |
-- |
-- |
Raman |
|
-OH Content |
wt% |
|
|
XPS & Titration |
|
-COOH Content |
wt% |
|
|
XPS & Titration |
|
|
OD=Outer Diameter SSA=Specific Surface Area |
|||